Wspornik do połączeń ukrytych, aluminiowy, 115x80x2000 mm - profil Eurotec T
Wspornik do połączeń ukrytych, aluminiowy, 115x80x2000 mm - profil Eurotec T
Zastosowanie:
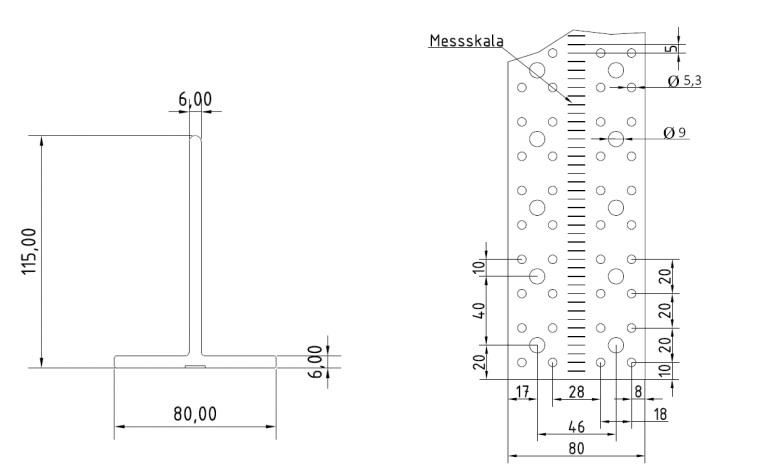
Bez wstępnego nawiercania z kołkiem samogwintującym Eurote EST
Otwór na wkręt do drewna 5,0 x 50 mm do połączenia z belką drewnianą
Otwór na wkręt do betonu Ø 7,5 do połączenia drewna z betonem
Odpowiednie dla klas użytkowania 1 i 2 zgodnie z DIN EN 1995
Opis:
Profil T firmy Eurotec to ukryty łącznik do drewna wykonany z aluminium do użytku wewnątrz i na zewnątrz budynków. Geometria jest odpowiednia do prostopadłych i skośnych połączeń poszczególnych belek w zastosowaniach drewno/drewno i drewno/beton.
Dostarczany w łącznej długości 2 m - dzięki czemu profil T można przyciąć do wymaganej długości na miejscu. Znaczne oszczędności i optymalizacja niewidocznych połączeń drewna. Nadaje się do KVH, BSH (drewno klejone warstwowo), CLT, ale także do konstrukcyjnego drewna budowlanego.
Opakowanie: 1 sztuka, długość 2000 mm
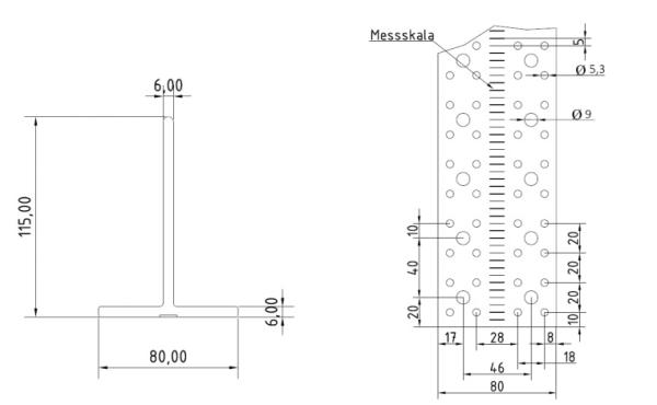
Wymiary:
Grubość: 6 mm
szerokość: 80 mm
wysokość: 115 mm
KATALOGI
Katalogi produktów naszych dostawców - dla inspiracji lub wyjaśnienia. Dostarczamy kompletne portfolio produktów, jeśli pozycja z katalogu nie znajduje się w aktualnej ofercie sklepu internetowego, możemy zamówić towar indywidualnie na podstawie zapotrzebowania(info@quadrofixing.sk).
![]() |
Taras i ogród Eurotec |
![]() |
Taras HAPAX |
![]() |
Wkręty budowlane Eurotec
|
![]() |
Wkręty do drewna PGB EUROPE |
![]() |
Kompletny katalog Eurotec |
||
|
|









